Skip to main content

FREE SHIPPING ALL ORDERS $450 AND UP!

SAME DAY & EXPEDITED SHIPPING AVAILABLE

Dormakaba RTS07 90 Overhead Concealed Door Closer for Aluminum Door and Frame, End Load, Double/Single Acting, 90 Deg. Swing, 1" Top Rail

In Stock
$804.29
Price: $1,241.00
Instant Savings $436.71

FREE SHIPPING

SKU: RTS07 90
Series: RTS88 Series
Mounting: Concealed (in door)
Degree Hold Open: 90 Deg. Swing
Closer Arm Type: End Load Arm
Maximum Door Weight: 250 lbs. Interior; 200 lbs. Exterior
Choose Options:
Hurry! Only left

Dormakaba RTS07 90 Overhead Concealed Door Closer, Aluminum Door and Frame Application, Cam Action, Center Hung End Load, Double or Single Acting, 90 Deg. Swing, Non-Handed, 1" Top Rail, Tall threshold pivot

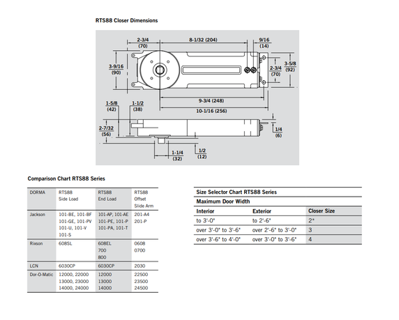
The RTS88 may be used on doors weighing up to a maximum of 250 lb (interior) or 200 lb (exterior), including all hardware. The closer may be used on exterior doors up to a maximum 3'-6" width and interior doors up to a maximum 4' width.

A complete line of accessories is available for wood, aluminum, and hollow metal applications, both single and double-acting center hung doors, and hinged or offset pivoted single-acting doors.

Other accessories include cover plates for wood, aluminum, and hollow metal frames, and extended spindles for increased clearances at the top of the door. Optional hold open units are available, effective at either 90° or 105°.

RTS07 : Package RTS07 is designed for top door rails with 1" deep channels. The door is installed by rotating the closer spindle 90°, then sliding the door into place, perpendicular to the frame.

Technical Details
Compact closer body is designed to fit into headers as small as 1-3/4"×4".
Closer body is non-handed.
One closer for both singleacting or double-acting doors.
Accommodates maximum door weight of 250 lb (interior) or 200 lb (exterior), including all hardware.
A pressure relief valve protects closer from damage caused by forced closing.
An integral cushion limits door swing to 90° or 105°. An auxiliary stop must always be installed in conjunction with RTS88.
A mechanical backcheck slows down the door prior to contact with the cushion.
Closing speeds are controlled by two non-critical adjustment valves. Sweep area is from 105°–20°. Latch area is from 20°–0°.
Thermostatic valves insure constant closing speeds under varying temperatures.
The standard RTS88 is furnished without hold open. Optional single point mechanical hold open is available at 90° or 105°.
The RTS88 offers a cast-iron body along with heavy-duty ball bearings at the spindle.
Steel cam and roller assembly is coupled to dual steel pistons.
Mounting brackets are available to install closer into aluminum or wood headers.
No. 8532 steel header mounting channel is specifically designed to install the RTS series closer into open-throat steel header sections. Normally, the mounting channel is installed in the header prior to shipment to the job site.
No. 8521E add-on spindle extension is available for special applications where additional clearance is required between the closer body and the door.
Cover plates are available for virtually any type header material.
No. 8820J conversion bracket is available for replacement of existing overhead concealed closers with the RTS88.

Specifications
The RTS88 will consist of a steel cam, rollers, and springs housed in a compact cast iron body. Closers will be capable of being
installed in minimum 1-3/4"×4" headers. RTS88 will have maximum door opening to 90° or 105°, trim conditions permitting. Sweep and latch speed will be controlled by two noncritical adjustment valves from 90° or 105° to closed. Built-in pressure relief valve will protect the closer from abuse caused by forced closing. A cushion at 90° or 105° will be provided to help protect the door and frame. The RTS88 closer will be available with hold open at 90° or 105°, or without hold open. Optional extended spindle will be available in 3/16" integral length or 1-3/16" add-onlength. Accessories will be available for single and double-acting doors as well as independently hung installations for wood, aluminum, and hollow metal doors and frames.

Note: Size (2) is available for 90° cushion or cushion/hold open only. For 105° applications, substitute the RTS88 BFE for the door ranges shown.

Finishes: 689 - Aluminum, 691 - Bronze (Dull), 690 - Bronze (Statuary), 695 - Bronze (Dark Duranodic), 693 - Black

Model: Dormakaba RTS07 90 HO SZ2, RTS07 90 HO SZ3. RTS07 90 HO SZ4, RTS07 90 NHO SZ2, RTS07 90 NHO SZ3, RTS07 90 NHO SZ24

Free Ground Shipping

orders $450 and up

Easy Returns

no question asked

Quantity Discounts

request a quote

Outstanding Customer Service